Maliit na motor ng AC Gear Mga supplier

  • 400w serye
  • 400w serye
  • 400w serye
  • 400w serye
Maliit na motor ng AC Gear

400w serye

Power ng motor: 400W (1/2hp) pahalang o patayong pag -install

Phase: Single phase / tatlong phase

Gear Ratio: 3-1800k

Pagpili ng motor: 3 phase motor 220V-240V/380V-415V, 50Hz/60Hz; 1 phase motor, 220V, 50Hz/60Hz; 1 phase motor, 110V, 50Hz / 60Hz

Output shaft diameter: φ22mm φ28mm φ32mm φ40mm $ $

  • 400w serye
  • 400w serye
  • 400w serye
  • 400w serye
APLIKASYON LUGAR
Kami ay isang high-tech na negosyo na nakatuon sa produksyon at pagbebenta ng AC gear reduction motors, small reduction motors, servo-specific planetary reducer, DC brushless at brushless motor, at iba pang produkto.
  • Pag -uuri ng logistik

  • Mga awtomatikong robot

  • pagputol ng laser

  • Pag -access sa Gate ng Pag -access

  • Photovoltaic Power Station

  • Mga aparatong medikal

  • AGV

Paglalarawan ng Produkto

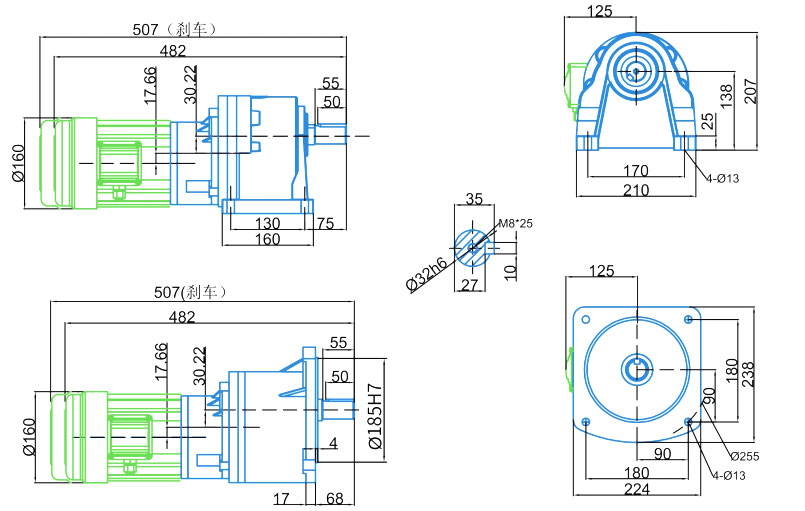
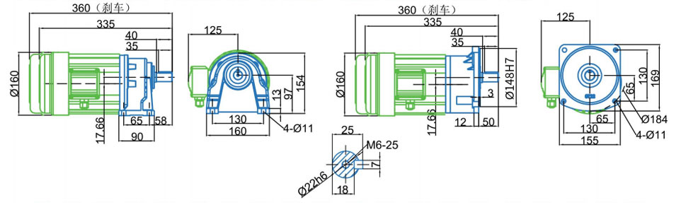
CH22/CV22-400W- (karaniwang kahon 1: 3 ~ 10 ratio) (nabawasan ang kahon 1: 15 ~ 90 ratio) laki ng diagram

CH32/CV32-400W (1: 210 o mas mataas na ratio) Dimension Diagram $ $

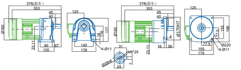
CH28/CV28-400W - (karaniwang kahon 1: 15 ~ 90 ratio) (nabawasan ang kahon 1: 100 ~ 200 ratio) dimensional na pagguhit

CH40/CV40-400W (1: 210 o mas mataas na ratio) laki ng diagram $ $

CH32/CV32-400W - (karaniwang kahon 1: 100 ~ 200 ratio) dimensional na pagguhit $ $

Parameter ng elektrikal na makinarya

Parameter ng elektrikal na makinarya

Power (KW)

I -type

Boltahe (v)

Kadalasan (Hz)

Na -rate na kasalukuyang (a)

Rated Rotation Speed ​​(RMP)

Mga capacitor (μf)

Pag -uuri ng pagkakabukod

Proteksiyon na sistema

0.4kw

1/2HP

Single-phase

220v

50Hz

1.1a

1420RMP

16μf 、 100μf

F

IP54

Tatlong-phase

220V/380V

50Hz

2.1a/1.2a

1420RMP $ $

/

400W- (1: 3-1800 digital ratio) Talahanayan ng metalikang kuwintas

Ratio ng gera

3

5

10

15

20

25

30

40

50

60

70

80

90

100

120

140

160

180

200

300

1200

1800

Output R.P.M.

50Hz

500

300

150

100

75

60

50

37

30

25

21.4

18.8

16.7

15

12.5

10.7

9.4

8.4

7.5

5

1.25

0.83

60Hz

600

360

180

120

90

72

60

45

36

30

25.7

22.5

20

18

15

12.9

11.3

10

9

6

1.5

1

Output metalikang kuwintas kg/m

50Hz

0.7

1.2

2.4

3.6

4.8

6

7.2

9.3

11.6

13.9

16.2

18.4

20.7

23

27.7

32

36

40.8

43.2

70.2

70.2

70.2

60Hz

0.6

1

2

3

4

5

6

7.8

9.7

11.6

13.5

15.4

17.3

19.2

23.1

26.7

30.3

34

36

56.7

56.7

56.7

Ang bilis sa talahanayan ay kinakalkula batay sa na -rate na bilis ng motor sa 50Hz/60Hz, 1420r.min/1732r.min

Ang aktwal na bilis ay magkakaiba -iba sa laki ng pag -load, na may isang pagkakaiba -iba ng tungkol sa ± 5%.

+ Unawain ang mga detalyadong parameter ng produkto
Makipag-ugnayan sa Amin
  • Upload

Tungkol sa amin
Zhejiang Saiya Intelligent Manufacturing Co, Ltd.
Zhejiang Saiya Intelligent Manufacturing Co., Ltd. itinatag noong 2009, na may 15 taon ng pag-iipon ng industriya, na isang high-tech na negosyo na dalubhasa sa produksyon at pagbebenta ng Micro AC gear motors, maliit na AC gear motors, brush DC gear motors, BLDC brushless DC gear motors, Precision Planetary gearbox, at motor roller...atbp. Kami ay Bultuhang Tsina 400w serye Mga supplier at OEM/ODM 400w serye Mga tagagawa, Ang mga motor at gearbox ng Saiya ay malawakang ginagamit sa mga robot na pang-industriya, matalinong logistik, mga bagong makina ng enerhiya, mga robot ng AGV at iba pang mga advanced na larangan. Bukod pa rito, nagsisilbi sila ng mga kritikal na tungkulin sa pagproseso ng pagkain, packaging, tela, elektroniko, kagamitang medikal, at espesyal na makinarya, na nag-aalok ng cost-effective at differentiated na solusyon para sa magkakaibang industriya. Upang mapahusay ang aming mga pakinabang sa pagkakaiba-iba at pagiging epektibo sa gastos, Mayroon kaming sariling kumpanya sa pangangalakal, ang Hangzhou Saiya Transmission Equipment Co., LTD na matatagpuan sa Hangzhou, Zhejiang, na malapit sa mga daungan ng Shanghai at Ningbo, upang pangasiwaan ang negosyo sa loob at labas ng bansa, na pinagsama sa parehong direktang pagbebenta at pamamahagi, tinitiyak ang pandaigdigang pamamahagi at suporta sa customer, na nagbibigay ng high-end na matipid at maaasahang solusyon sa lahat ng aming mga customer.

Kultura ng Kumpanya

Tunay na Maaasahan
Natural na Namumukod-tangi ang Kalidad.

Mga pangunahing halaga: Pagpapaunlad ng sarili at pagmamalasakit sa kapwa.

Pangitain:Maging eksperto sa serbisyo sa larangan ng intelligent transmission.

Ang aming misyon:Magbigay ng mga serbisyong may mataas na kalidad at lumikha ng halaga para sa mga customer.

Pilosopiya ng serbisyo:Ang paghahangad ng parehong materyal at espirituwal na kaligayahan para sa lahat ng mga empleyado at nag-aambag sa pag-unlad at pag-unlad ng lipunan ng tao.

  • 2009

    Establishment
  • 80+

    Mga tauhan
  • 5+

    Linya ng Produksyon
Balita